Витяжка кухонна ProfitM Фортуна Класік 50см 200м3 Коричнева
Артикул:
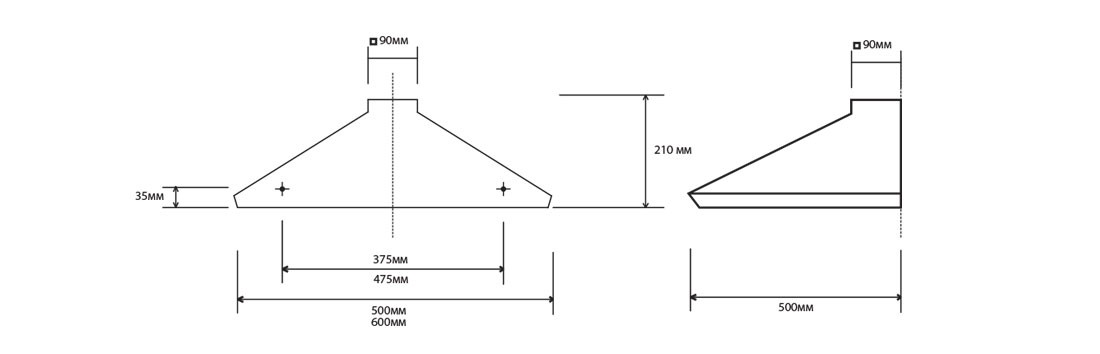
0020 Розмір, см:
50
Колір:
Коричневий
Тип:
Купольна
Кількість швидкостей:
2
Продуктивність, куб.м/год:
200
Тип монтажу:
Пристінний
Управління:
Кнопкове
1 800,00 грн
Відрізняється від серії «стандарт» декоративною перфорованою решіткою. Витяжка купольного типу обладнана двигуном вентиляторного типу на дві швидкості та однією лампочкою, яка чудово освітить робочу поверхню, і створить затишок на Вашій кухні. На передній панелі витяжки розміщені два клавішних вимикачі. Висока продуктивність витяжки забезпечує ефективну роботу, усуваючи усі небажані запахи при приготуванні їжі.

